|
|
首頁-水環式真空泵型號-2SKF型水環式真空泵
2SKF型水環式真空泵
2SKF型水環式真空泵概述:
2SKF型水環式真空泵,采用酚醛玻璃纖維增強塑料,經高溫,高壓模具化成型加工制造,2SKF型水環式真空泵具有耐腐蝕范圍廣、真空度高、在高真空區間抽速大、體積小,重量輕、環保節水、便于維護、運行平穩等特點。
2SKF型水環式真空泵可用于抽送空氣和其它不含固體顆粒的腐蝕性氣體,也可用于抽送各種不含懸浮顆粒或結晶的有機或無機酸液,以便在密閉容器中形成一定的負壓。廣泛應用于石油、化工、制藥、輕紡、冶金、電子等行業作為真空抽吸、真空過濾、真空干燥,真空濃縮,真空蒸發、真空蒸餾及真空結晶等。
2SKF型水環式真空泵型號意義:

2SKF型水環式真空泵技術規格:
| 型號 |
抽氣量m3/min |
極限真空 |
功率Kw |
轉速r/min |
供水量L/min |
吸排氣口徑mm |
| 最大 |
吸入壓力為-0.093MPa時小于 |
MPa |
mmHg |
|
|
|
進 |
出 |
| 2SKF-1.5 |
1.5 |
0.9 |
-0.096 |
-720 |
5.5 |
1440 |
10-15 |
40 |
40 |
| 2SKF-3 |
3 |
2 |
-0.097 |
-728 |
7.5 |
1440 |
15-20 |
40 |
40 |
| 2SKF-5 |
5 |
3.5 |
-0.098 |
-735 |
11 |
1460 |
20-30 |
80 |
80 |
| 2SKF-6 |
6 |
4 |
-0.098 |
-735 |
15 |
1460 |
25-35 |
80 |
80 |
| 2SKF-8 |
8 |
5.6 |
-0.098 |
-735 |
18.5 |
1460 |
30-40 |
80 |
80 |
| 2SKF-12 |
12 |
8 |
-0.098 |
-735 |
22 |
1460 |
40-50 |
80 |
80 |
注:1、表內數據在下列條件下得出:①水溫15oC;②空氣20oC;③氣體相對濕度70%;④大氣壓力0.1013MPa。2、性能允許偏差±10%。
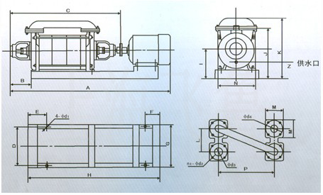
2SKF型水環式真空泵外形及安裝尺寸圖:

型號 |
A |
B |
C |
D |
E |
F |
G |
H |
I |
J |
K |
L |
M |
N |
P |
Z |
n1 |
d1 |
d2 |
d3 |
d4 |
2SKF-1.5 |
1185 |
180 |
770 |
290 |
170 |
130 |
330 |
955 |
222 |
380 |
460 |
160 |
110 |
260 |
270 |
G1/2" |
4 |
16 |
14 |
40 |
110 |
2SKF-3 |
1340 |
180 |
850 |
290 |
170 |
130 |
330 |
1040 |
222 |
380 |
460 |
160 |
110 |
260 |
350 |
G1/2" |
4 |
16 |
14 |
40 |
110 |
2SKF-5 |
1590 |
200 |
985 |
410 |
210 |
160 |
460 |
1290 |
318 |
510 |
640 |
160 |
130 |
360 |
400 |
G1/2" |
4 |
18 |
16 |
65 |
125 |
2SKF-6 |
1690 |
200 |
1045 |
410 |
210 |
160 |
460 |
1350 |
318 |
510 |
640 |
160 |
130 |
360 |
460 |
G1/2" |
4 |
18 |
16 |
65 |
125 |
2SKF-8 |
1745 |
200 |
1075 |
410 |
280 |
180 |
460 |
1370 |
318 |
510 |
640 |
160 |
130 |
360 |
490 |
G1/2" |
4 |
18 |
16 |
65 |
125 |
2SKF-12 |
1850 |
200 |
1135 |
410 |
280 |
180 |
460 |
1470 |
318 |
510 |
640 |
160 |
130 |
360 |
550 |
G1/2" |
4 |
18 |
16 |
65 |
125 |
相關產品推薦:
2BV型水環式真空泵 2BEC型水環式真空泵 SK型水環式真空泵 SZ型水環式真空泵
SKF型水環式真空泵
|